• ·»Áî À¯Çü: ¼³¸í¼­
  • ÃÊÁ¡ ±æÀÌ: 2.95 ¹Ì¸®¸ÞÅÍ
  • ¸ðµ¨ ¹øÈ£: CH3559EB
  • ºê·£µå À̸§: MOSECURE
  • ¿ø»êÁö: Áß±¹


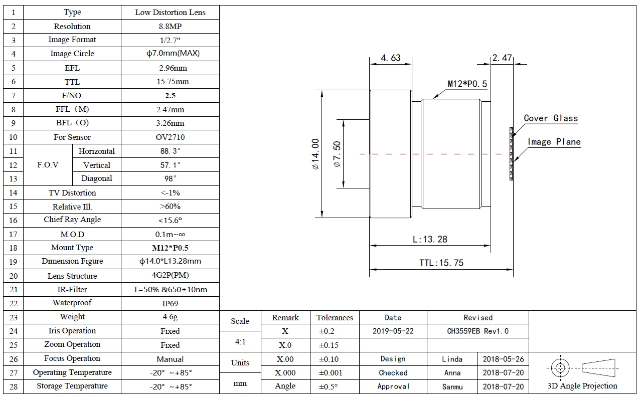
4K 8MP 2.96mm Àú¿Ö°î »ê¾÷¿ë ·»Áî M12 ¸¶¿îÆ® F2.5 Á¶¸®°³ 1/2.7 "Çü½Ä

»ç¾ç:

ÇØ»óµµ: 8.8MP
ÃÊÁ¡ ±æÀÌ: 2.96mm
¸¶¿îÆ® À¯Çü: M12
Çü½Ä (ÀÎÄ¡): 1/2.7"
Á¶¸®°³: F2.5
F.O.V: 88.3 °(H) * 57.1 °(V) * 98 °(D)
MO.D: 0.1m ~ ¡Ä
IR ÇÊÅÍ: T = 50% ¹× 650 ± 10nm
Ä¡¼ö: ¢Ñ 14.0 * L13.28mm
ÀÛµ¿ ¿Âµµ: -20 ° ~ + 85 °